李工:138-8949-5179 刘工:135-0428-8802
型号查询
轴承型号   常见搜索: 6009轴承 6017轴承 6024轴承 2025轴承 6026轴承 6032轴承
型号查询 X

轴承专区

Bearings Center

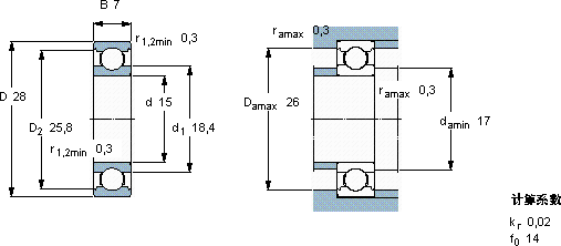
61902轴承-SKF 61902轴承尺寸、图纸、价格

SKF 61902轴承

产品名称:61902轴承 品牌:SKF
类型:SKF轴承 > 滚动轴承 > 深沟球轴承
描述:61902轴承是【SKF轴承 > 滚动轴承 > 深沟球轴承】的型号,主要用在农业机械、小型汽车前轮、压缩机、差速器、木工机械、汽车转向销、钢铁厂、精细化工机械、土方机械、机场加油机等各大领域

 电话/微信:138-8949-5179

SKF 61902轴承详细信息

61902轴承是【SKF轴承 > 滚动轴承 > 深沟球轴承】的型号,主要用在农业机械、小型汽车前轮、压缩机、差速器、木工机械、汽车转向销、钢铁厂、精细化工机械、土方机械、机场加油机等各大领域。

SKF 61902轴承详细参数

深沟球轴承, 单列, 无密封件
主要数据尺寸基本负荷额定值疲劳负荷限值额定速度体积型号
动态静态参照速度限制速度
dDBCC0Pu
mmkNkNr/minkg-
152874,362,240,09556000340000,01661902

SKF 61902轴承尺寸图纸

李工:138-8949-5179

刘工:135-0428-8802

地址:辽宁省大连经济技术开发区现代城3栋-13-13号

在线客服系统