李工:138-8949-5179 刘工:135-0428-8802
型号查询
轴承型号   常见搜索: 23136轴承 6019轴承 6010轴承 6006轴承 6021轴承 6900轴承
型号查询 X

轴承专区

Bearings Center

619/9轴承-SKF 619/9轴承尺寸、图纸、价格

SKF 619/9轴承

产品名称:619/9轴承 品牌:SKF
类型:SKF轴承 > 滚动轴承 > 深沟球轴承
描述:619/9轴承是【SKF轴承 > 滚动轴承 > 深沟球轴承】的型号,主要用在通用电动机、各类变速器、压缩机、铁路车辆、印刷机械、机床等的变速装置、轧钢机轧制螺杆用减速机、烟草机械、压路机、太阳能发电设备等各大领域

 电话/微信:138-8949-5179

SKF 619/9轴承详细信息

619/9轴承是【SKF轴承 > 滚动轴承 > 深沟球轴承】的型号,主要用在通用电动机、各类变速器、压缩机、铁路车辆、印刷机械、机床等的变速装置、轧钢机轧制螺杆用减速机、烟草机械、压路机、太阳能发电设备等各大领域。

SKF 619/9轴承详细参数

深沟球轴承, 单列, 无密封件
主要数据尺寸基本负荷额定值疲劳负荷限值额定速度体积型号
动态静态参照速度限制速度
dDBCC0Pu
mmkNkNr/minkg-
92062,080,8650,03680000480000,0076619/9

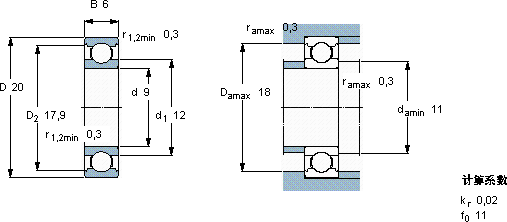
SKF 619/9轴承尺寸图纸

李工:138-8949-5179

刘工:135-0428-8802

地址:辽宁省大连经济技术开发区现代城3栋-13-13号

在线客服系统