李工:138-8949-5179 刘工:135-0428-8802
型号查询
轴承型号   常见搜索: 6017轴承 6309轴承 6005轴承 6214轴承 6003轴承 6030轴承
型号查询 X

轴承专区

Bearings Center

61868 MA轴承-SKF 61868 MA轴承尺寸、图纸、价格

SKF 61868 MA轴承

产品名称:61868 MA轴承 品牌:SKF
类型:SKF轴承 > 滚动轴承 > 深沟球轴承
描述:61868 MA轴承是【SKF轴承 > 滚动轴承 > 深沟球轴承】的型号,主要用在建筑机械、各类变速器、挖土机履带轮、铁路车辆、轧钢机齿轮箱座、机床等的变速装置、成形机、烟草机械、压路机、港口起重机等各大领域

 电话/微信:138-8949-5179

SKF 61868 MA轴承详细信息

61868 MA轴承是【SKF轴承 > 滚动轴承 > 深沟球轴承】的型号,主要用在建筑机械、各类变速器、挖土机履带轮、铁路车辆、轧钢机齿轮箱座、机床等的变速装置、成形机、烟草机械、压路机、港口起重机等各大领域。

SKF 61868 MA轴承详细参数

深沟球轴承, 单列, 无密封件
主要数据尺寸基本负荷额定值疲劳负荷限值额定速度体积型号
动态静态参照速度限制速度
dDBCC0Pu
mmkNkNr/minkg-
3404203817827562800240011,561868 MA

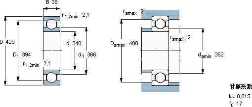
SKF 61868 MA轴承尺寸图纸

李工:138-8949-5179

刘工:135-0428-8802

地址:辽宁省大连经济技术开发区现代城3栋-13-13号

在线客服系统