轴承专区
Bearings Center
61860 MA轴承-SKF 61860 MA轴承尺寸、图纸、价格
SKF 61860 MA轴承
| 产品名称: | 61860 MA轴承 | 品牌: | SKF |
|---|---|---|---|
| 类型: | SKF轴承 > 滚动轴承 > 深沟球轴承 | ||
| 描述: | 61860 MA轴承是【SKF轴承 > 滚动轴承 > 深沟球轴承】的型号,主要用在装卸搬运机械、各类变速器、提升机、铁路车辆、减速装置、机床主轴、矿山、陶瓷机械、混凝土机械、摩天轮等各大领域 | ||
电话/微信:138-8949-5179
SKF 61860 MA轴承详细信息
61860 MA轴承是【SKF轴承 > 滚动轴承 > 深沟球轴承】的型号,主要用在装卸搬运机械、各类变速器、提升机、铁路车辆、减速装置、机床主轴、矿山、陶瓷机械、混凝土机械、摩天轮等各大领域。
SKF 61860 MA轴承详细参数
| 深沟球轴承, 单列, 无密封件 | |||||||||||
| 主要数据尺寸 | 基本负荷额定值 | 疲劳负荷限值 | 额定速度 | 体积 | 型号 | ||||||
| 动态 | 静态 | 参照速度 | 限制速度 | ||||||||
| d | D | B | C | C0 | Pu | ||||||
| mm | kN | kN | r/min | kg | - | ||||||
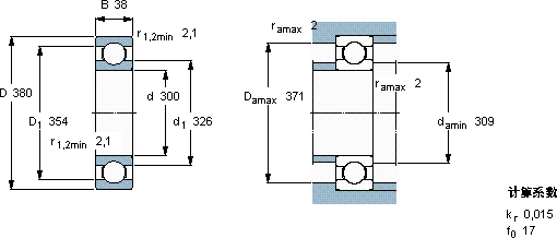
| 300 | 380 | 38 | 172 | 245 | 5,6 | 3200 | 2600 | 10,5 | 61860 MA | ||
SKF 61860 MA轴承尺寸图纸

