李工:138-8949-5179 刘工:135-0428-8802
型号查询
轴承型号   常见搜索: 6015轴承 6007轴承 6010轴承 3214轴承 23136轴承 688a轴承
型号查询 X

轴承专区

Bearings Center

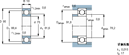
61815轴承-SKF 61815轴承尺寸、图纸、价格

SKF 61815轴承

产品名称:61815轴承 品牌:SKF
类型:SKF轴承 > 滚动轴承 > 深沟球轴承
描述:61815轴承是【SKF轴承 > 滚动轴承 > 深沟球轴承】的型号,主要用在飞机喷气式发动机、空气压缩机、汽车发动机、大型农业机械、轧钢机辊道子、耕耘机、燃机、烟草机械、平地机、钢包回转台等各大领域

 电话/微信:138-8949-5179

SKF 61815轴承详细信息

61815轴承是【SKF轴承 > 滚动轴承 > 深沟球轴承】的型号,主要用在飞机喷气式发动机、空气压缩机、汽车发动机、大型农业机械、轧钢机辊道子、耕耘机、燃机、烟草机械、平地机、钢包回转台等各大领域。

SKF 61815轴承详细参数

深沟球轴承, 单列, 无密封件
主要数据尺寸基本负荷额定值疲劳负荷限值额定速度体积型号
动态静态参照速度限制速度
dDBCC0Pu
mmkNkNr/minkg-
75951012,714,30,611400085000,1561815

SKF 61815轴承尺寸图纸

李工:138-8949-5179

刘工:135-0428-8802

地址:辽宁省大连经济技术开发区现代城3栋-13-13号

在线客服系统