李工:138-8949-5179 刘工:135-0428-8802
型号查询
轴承型号   常见搜索: 22222轴承 6018轴承 6001轴承 6205轴承 1轴承 6024轴承
型号查询 X

轴承专区

Bearings Center

61805轴承-SKF 61805轴承尺寸、图纸、价格

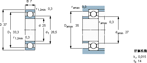
SKF 61805轴承

产品名称:61805轴承 品牌:SKF
类型:SKF轴承 > 滚动轴承 > 深沟球轴承
描述:61805轴承是【SKF轴承 > 滚动轴承 > 深沟球轴承】的型号,主要用在通用电动机、离心分离机、纺织机械传动轴、变速器、印刷机械、石油钻机转环、轧钢机轧制螺杆用减速机、精细化工机械、凿岩机械、太阳能发电设备等各大领域

 电话/微信:138-8949-5179

SKF 61805轴承详细信息

61805轴承是【SKF轴承 > 滚动轴承 > 深沟球轴承】的型号,主要用在通用电动机、离心分离机、纺织机械传动轴、变速器、印刷机械、石油钻机转环、轧钢机轧制螺杆用减速机、精细化工机械、凿岩机械、太阳能发电设备等各大领域。

SKF 61805轴承详细参数

深沟球轴承, 单列, 无密封件
主要数据尺寸基本负荷额定值疲劳负荷限值额定速度体积型号
动态静态参照速度限制速度
dDBCC0Pu
mmkNkNr/minkg-
253774,362,60,12538000240000,02261805

SKF 61805轴承尺寸图纸

李工:138-8949-5179

刘工:135-0428-8802

地址:辽宁省大连经济技术开发区现代城3栋-13-13号

在线客服系统