李工:138-8949-5179 刘工:135-0428-8802
型号查询
轴承型号   常见搜索: 6022轴承 2025轴承 6030轴承 6020轴承 6024轴承 6019轴承
型号查询 X

轴承专区

Bearings Center

FBSA 206 A/ QFC轴承-SKF FBSA 206 A/ QFC轴承尺寸、图纸、价格

SKF FBSA 206 A/ QFC轴承

产品名称:FBSA 206 A/ QFC轴承 品牌:SKF
类型:SKF轴承 > 超高精密轴承 > Angular contact thrust ball bearings for screw drives
描述:FBSA 206 A/ QFC轴承是【SKF轴承 > 超高精密轴承 > Angular contact thrust ball bearings for screw drives】的型号,主要用在通用电动机、离心分离机、提升机、变速器、各类产业用减速机、制铁制钢机械、轧钢机轧制螺杆用减速机、塑料、堆取料机、太阳能发电设备等各大领域

 电话/微信:138-8949-5179

SKF FBSA 206 A/ QFC轴承详细信息

FBSA 206 A/ QFC轴承是【SKF轴承 > 超高精密轴承 > Angular contact thrust ball bearings for screw drives】的型号,主要用在通用电动机、离心分离机、提升机、变速器、各类产业用减速机、制铁制钢机械、轧钢机轧制螺杆用减速机、塑料、堆取料机、太阳能发电设备等各大领域。

SKF FBSA 206 A/ QFC轴承详细参数

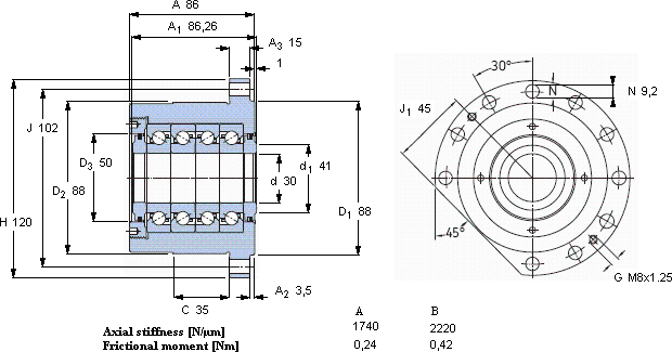
角接触推力球轴承 for screw drives, cartridge units with flanged housing
主要数据尺寸基本负荷额定值疲劳负荷限值可达到的速度体积型号
动态静态预压SKFSNFA
AB
dD2ACC0Pu
mmkNkNr/minkg-
30888646,4551425,3400020003,7FBSA 206 A/ QFCBSQU 230/1 TFT

SKF FBSA 206 A/ QFC轴承尺寸图纸

李工:138-8949-5179

刘工:135-0428-8802

地址:辽宁省大连经济技术开发区现代城3栋-13-13号

在线客服系统