轴承专区
Bearings Center
61803轴承-SKF 61803轴承尺寸、图纸、价格
SKF 61803轴承
| 产品名称: | 61803轴承 | 品牌: | SKF |
|---|---|---|---|
| 类型: | SKF轴承 > 滚动轴承 > 深沟球轴承 | ||
| 描述: | 61803轴承是【SKF轴承 > 滚动轴承 > 深沟球轴承】的型号,主要用在通用电动机、离心分离机、泵、变速器、轧钢机齿轮箱座、制铁制钢机械、轧钢机轧制螺杆用减速机、塑料、堆取料机、太阳能发电设备等各大领域 | ||
电话/微信:138-8949-5179
SKF 61803轴承详细信息
61803轴承是【SKF轴承 > 滚动轴承 > 深沟球轴承】的型号,主要用在通用电动机、离心分离机、泵、变速器、轧钢机齿轮箱座、制铁制钢机械、轧钢机轧制螺杆用减速机、塑料、堆取料机、太阳能发电设备等各大领域。
SKF 61803轴承详细参数
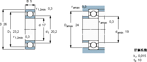
| 深沟球轴承, 单列, 无密封件 | |||||||||||
| 主要数据尺寸 | 基本负荷额定值 | 疲劳负荷限值 | 额定速度 | 体积 | 型号 | ||||||
| 动态 | 静态 | 参照速度 | 限制速度 | ||||||||
| d | D | B | C | C0 | Pu | ||||||
| mm | kN | kN | r/min | kg | - | ||||||
| 17 | 26 | 5 | 1,68 | 0,93 | 0,039 | 56000 | 34000 | 0,0082 | 61803 | ||
SKF 61803轴承尺寸图纸

