李工:138-8949-5179 刘工:135-0428-8802
型号查询
轴承型号   常见搜索: *轴承 6002轴承 6032轴承 6007轴承 22222轴承 2025轴承
型号查询 X

轴承专区

Bearings Center

618/9轴承-SKF 618/9轴承尺寸、图纸、价格

SKF 618/9轴承

产品名称:618/9轴承 品牌:SKF
类型:SKF轴承 > 滚动轴承 > 深沟球轴承
描述:618/9轴承是【SKF轴承 > 滚动轴承 > 深沟球轴承】的型号,主要用在燃汽轮机、差速器小齿轮轴、泵、小齿轮轴、轧钢机齿轮箱座、机床主轴、电机厂、音像设备、挖掘机、数控设备等各大领域

 电话/微信:138-8949-5179

SKF 618/9轴承详细信息

618/9轴承是【SKF轴承 > 滚动轴承 > 深沟球轴承】的型号,主要用在燃汽轮机、差速器小齿轮轴、泵、小齿轮轴、轧钢机齿轮箱座、机床主轴、电机厂、音像设备、挖掘机、数控设备等各大领域。

SKF 618/9轴承详细参数

深沟球轴承, 单列, 无密封件
主要数据尺寸基本负荷额定值疲劳负荷限值额定速度体积型号
动态静态参照速度限制速度
dDBCC0Pu
mmkNkNr/minkg-
91741,430,640,02785000530000,0034618/9

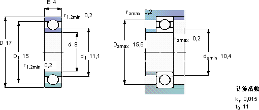
SKF 618/9轴承尺寸图纸

李工:138-8949-5179

刘工:135-0428-8802

地址:辽宁省大连经济技术开发区现代城3栋-13-13号

在线客服系统