李工:138-8949-5179 刘工:135-0428-8802
型号查询
轴承型号   常见搜索: 6008轴承 6032轴承 6003轴承 6017轴承 6006轴承 6016轴承
型号查询 X

轴承专区

Bearings Center

208 NR轴承-SKF 208 NR轴承尺寸、图纸、价格

SKF 208 NR轴承

产品名称:208 NR轴承 品牌:SKF
类型:SKF轴承 > 滚动轴承 > 深沟球轴承
描述:208 NR轴承是【SKF轴承 > 滚动轴承 > 深沟球轴承】的型号,主要用在后轮、空气压缩机、挖土机履带轮、大型农业机械、木工机械、耕耘机、水力发电机、音像设备、地基处理机械、焊接机器人等各大领域

 电话/微信:138-8949-5179

SKF 208 NR轴承详细信息

208 NR轴承是【SKF轴承 > 滚动轴承 > 深沟球轴承】的型号,主要用在后轮、空气压缩机、挖土机履带轮、大型农业机械、木工机械、耕耘机、水力发电机、音像设备、地基处理机械、焊接机器人等各大领域。

SKF 208 NR轴承详细参数

深沟球轴承, 单列,带装球缺口和止动环槽, 无密封件
主要数据尺寸基本负荷额定值疲劳负荷限值额定速度体积型号
动态静态参照速度限制速度轴承,带止动环止动环
dDBCC0Pu
mmkNkNr/minkg-
40801833,626,51,121500095000,39208 NRSP 80

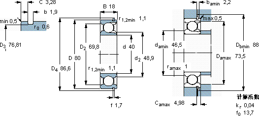
SKF 208 NR轴承尺寸图纸

李工:138-8949-5179

刘工:135-0428-8802

地址:辽宁省大连经济技术开发区现代城3栋-13-13号

在线客服系统