李工:138-8949-5179 刘工:135-0428-8802
型号查询
轴承型号   常见搜索: 688a轴承 6009轴承 6006轴承 6008轴承 6304轴承 6003轴承
型号查询 X

轴承专区

Bearings Center

618/6轴承-SKF 618/6轴承尺寸、图纸、价格

SKF 618/6轴承

产品名称:618/6轴承 品牌:SKF
类型:SKF轴承 > 滚动轴承 > 深沟球轴承
描述:618/6轴承是【SKF轴承 > 滚动轴承 > 深沟球轴承】的型号,主要用在各种产业机械、罗茨鼓风机、中型及大型电动机、建筑机械、破碎机、石油钻机转环、发电厂、精细化工机械、凿岩机械、冶金起重机等各大领域

 电话/微信:138-8949-5179

SKF 618/6轴承详细信息

618/6轴承是【SKF轴承 > 滚动轴承 > 深沟球轴承】的型号,主要用在各种产业机械、罗茨鼓风机、中型及大型电动机、建筑机械、破碎机、石油钻机转环、发电厂、精细化工机械、凿岩机械、冶金起重机等各大领域。

SKF 618/6轴承详细参数

深沟球轴承, 单列, 无密封件
主要数据尺寸基本负荷额定值疲劳负荷限值额定速度体积型号
动态静态参照速度限制速度
dDBCC0Pu
mmkNkNr/minkg-
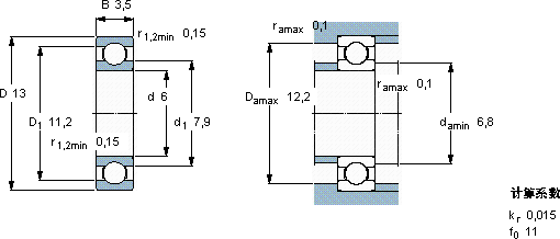
6133,50,8840,3450,015110000670000,0020618/6

SKF 618/6轴承尺寸图纸

李工:138-8949-5179

刘工:135-0428-8802

地址:辽宁省大连经济技术开发区现代城3栋-13-13号

在线客服系统