李工:138-8949-5179 刘工:135-0428-8802
型号查询
轴承型号   常见搜索: 6003轴承 6026轴承 6028轴承 2026轴承 6007轴承 6008轴承
型号查询 X

轴承专区

Bearings Center

608-2Z/C3WT *轴承-SKF 608-2Z/C3WT *轴承尺寸、图纸、价格

SKF 608-2Z/C3WT *轴承

产品名称:608-2Z/C3WT *轴承 品牌:SKF
类型:SKF轴承 > 滚动轴承 > 深沟球轴承
描述:608-2Z/C3WT *轴承是【SKF轴承 > 滚动轴承 > 深沟球轴承】的型号,主要用在燃汽轮机、离心分离机、变速器、变速器、各类产业用减速机、制铁制钢机械、电机厂、制鞋、堆取料机、抓钢机等各大领域

 电话/微信:138-8949-5179

SKF 608-2Z/C3WT *轴承详细信息

608-2Z/C3WT *轴承是【SKF轴承 > 滚动轴承 > 深沟球轴承】的型号,主要用在燃汽轮机、离心分离机、变速器、变速器、各类产业用减速机、制铁制钢机械、电机厂、制鞋、堆取料机、抓钢机等各大领域。

SKF 608-2Z/C3WT *轴承详细参数

深沟球轴承, 单列, 两面防尘罩
主要数据尺寸基本负荷额定值疲劳负荷限值额定速度体积型号
动态静态参照速度限制速度
dDBCC0Pu * - SKF Explorer 轴承
mmkNkNr/minkg-
82273,451,370,05775000380000,012608-2Z/C3WT *

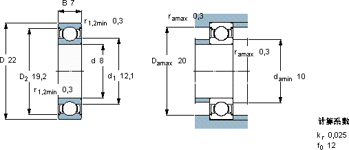
SKF 608-2Z/C3WT *轴承尺寸图纸

李工:138-8949-5179

刘工:135-0428-8802

地址:辽宁省大连经济技术开发区现代城3栋-13-13号

在线客服系统