李工:138-8949-5179 刘工:135-0428-8802
型号查询
轴承型号   常见搜索: 6003轴承 617轴承 22222轴承 6304轴承 6906轴承 2026轴承
型号查询 X

轴承专区

Bearings Center

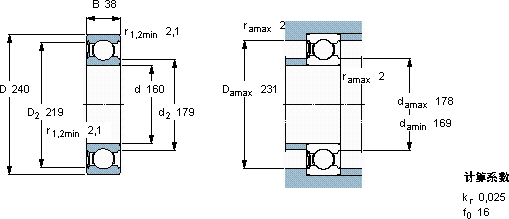
6032-RS1轴承-SKF 6032-RS1轴承尺寸、图纸、价格

SKF 6032-RS1轴承

产品名称:6032-RS1轴承 品牌:SKF
类型:SKF轴承 > 滚动轴承 > 深沟球轴承
描述:6032-RS1轴承是【SKF轴承 > 滚动轴承 > 深沟球轴承】的型号,主要用在燃汽轮机、差速器小齿轮轴、提升机、小齿轮轴、各类产业用减速机、机床等的变速装置、电机厂、破碎、压路机、数控设备等各大领域

 电话/微信:138-8949-5179

SKF 6032-RS1轴承详细信息

6032-RS1轴承是【SKF轴承 > 滚动轴承 > 深沟球轴承】的型号,主要用在燃汽轮机、差速器小齿轮轴、提升机、小齿轮轴、各类产业用减速机、机床等的变速装置、电机厂、破碎、压路机、数控设备等各大领域。

SKF 6032-RS1轴承详细参数

深沟球轴承, 单列, 单面密封件
主要数据尺寸基本负荷额定值疲劳负荷限值额定速度体积型号
动态静态参照速度限制速度
dDBCC0Pu
mmkNkNr/minkg-
160240381431434,3-16005,906032-RS1

SKF 6032-RS1轴承尺寸图纸

李工:138-8949-5179

刘工:135-0428-8802

地址:辽宁省大连经济技术开发区现代城3栋-13-13号

在线客服系统