李工:138-8949-5179 刘工:135-0428-8802
型号查询
轴承型号   常见搜索: *轴承 688a轴承 6214轴承 71913轴承 6030轴承 6002轴承
型号查询 X

轴承专区

Bearings Center

6018-RS1 *轴承-SKF 6018-RS1 *轴承尺寸、图纸、价格

SKF 6018-RS1 *轴承

产品名称:6018-RS1 *轴承 品牌:SKF
类型:SKF轴承 > 滚动轴承 > 深沟球轴承
描述:6018-RS1 *轴承是【SKF轴承 > 滚动轴承 > 深沟球轴承】的型号,主要用在农业机械、油泵、提升机、机床主轴、振动筛、起重机吊钩、钢铁厂、纺织、强夯机、太阳能发电设备等各大领域

 电话/微信:138-8949-5179

SKF 6018-RS1 *轴承详细信息

6018-RS1 *轴承是【SKF轴承 > 滚动轴承 > 深沟球轴承】的型号,主要用在农业机械、油泵、提升机、机床主轴、振动筛、起重机吊钩、钢铁厂、纺织、强夯机、太阳能发电设备等各大领域。

SKF 6018-RS1 *轴承详细参数

深沟球轴承, 单列, 单面密封件
主要数据尺寸基本负荷额定值疲劳负荷限值额定速度体积型号
动态静态参照速度限制速度
dDBCC0Pu * - SKF Explorer 轴承
mmkNkNr/minkg-
901402460,5501,96-28001,156018-RS1 *

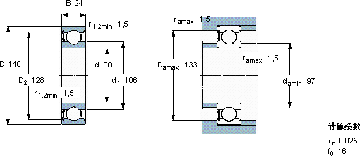
SKF 6018-RS1 *轴承尺寸图纸

李工:138-8949-5179

刘工:135-0428-8802

地址:辽宁省大连经济技术开发区现代城3栋-13-13号

在线客服系统