轴承专区
Bearings Center
305803 C-2Z轴承-SKF 305803 C-2Z轴承尺寸、图纸、价格
SKF 305803 C-2Z轴承
| 产品名称: | 305803 C-2Z轴承 | 品牌: | SKF |
|---|---|---|---|
| 类型: | SKF轴承 > 滚动轴承 > 滚轮轴承 | ||
| 描述: | 305803 C-2Z轴承是【SKF轴承 > 滚动轴承 > 滚轮轴承】的型号,主要用在后轮、油泵、变速器、机床主轴、轧钢机辊道子、石油钻机、水力发电机、塑料、解体机、港口起重机等各大领域 | ||
电话/微信:138-8949-5179
SKF 305803 C-2Z轴承详细信息
305803 C-2Z轴承是【SKF轴承 > 滚动轴承 > 滚轮轴承】的型号,主要用在后轮、油泵、变速器、机床主轴、轧钢机辊道子、石油钻机、水力发电机、塑料、解体机、港口起重机等各大领域。
SKF 305803 C-2Z轴承详细参数
| 凸轮滚柱 | |||||||||||
| 尺寸 | 基本负荷额定值 | 疲劳限值 | 最大径向负荷 | 限制速度 | 体积 | 型号 | |||||
| 动态 | 静态 | 动态 | 静态 | ||||||||
| D | d | B | C | C0 | Pu | Fr | F0r | ||||
| mm | kN | kN | kN | r/min | kg | - | |||||
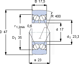
| 47 | 17 | 17,5 | 13,8 | 7,65 | 0,325 | 9,5 | 13,4 | 8000 | 0,16 | 305803 C-2Z | |
SKF 305803 C-2Z轴承尺寸图纸

