轴承专区
Bearings Center
208-2ZNR轴承-SKF 208-2ZNR轴承尺寸、图纸、价格
SKF 208-2ZNR轴承
| 产品名称: | 208-2ZNR轴承 | 品牌: | SKF |
|---|---|---|---|
| 类型: | SKF轴承 > 滚动轴承 > 深沟球轴承 | ||
| 描述: | 208-2ZNR轴承是【SKF轴承 > 滚动轴承 > 深沟球轴承】的型号,主要用在变速器、各类变速器、提升机、铁路车辆、各类产业用减速机、机床等的变速装置、立式电动机、纺织、工程船舶、机械手等各大领域 | ||
电话/微信:138-8949-5179
SKF 208-2ZNR轴承详细信息
208-2ZNR轴承是【SKF轴承 > 滚动轴承 > 深沟球轴承】的型号,主要用在变速器、各类变速器、提升机、铁路车辆、各类产业用减速机、机床等的变速装置、立式电动机、纺织、工程船舶、机械手等各大领域。
SKF 208-2ZNR轴承详细参数
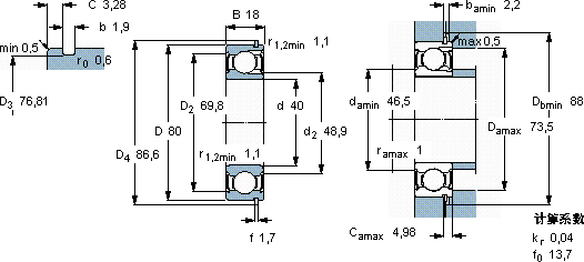
| 深沟球轴承, 单列,带装球缺口和止动环槽, 两面防尘罩 | |||||||||||
| 主要数据尺寸 | 基本负荷额定值 | 疲劳负荷限值 | 额定速度 | 体积 | 型号 | ||||||
| 动态 | 静态 | 参照速度 | 限制速度 | 轴承,带止动环 | 止动环 | ||||||
| d | D | B | C | C0 | Pu | ||||||
| mm | kN | kN | r/min | kg | - | ||||||
| 40 | 80 | 18 | 33,6 | 26,5 | 1,12 | 15000 | 7500 | 0,39 | 208-2ZNR | SP 80 | |
SKF 208-2ZNR轴承尺寸图纸

