李工:138-8949-5179 刘工:135-0428-8802
型号查询
轴承型号   常见搜索: 6016轴承 6013轴承 22222轴承 6909轴承 6304轴承 6032轴承
型号查询 X

轴承专区

Bearings Center

60/1060 MB轴承-SKF 60/1060 MB轴承尺寸、图纸、价格

SKF 60/1060 MB轴承

产品名称:60/1060 MB轴承 品牌:SKF
类型:SKF轴承 > 滚动轴承 > 深沟球轴承
描述:60/1060 MB轴承是【SKF轴承 > 滚动轴承 > 深沟球轴承】的型号,主要用在仪表、印刷机械、中型及大型电动机、轧钢机辊颈、轧钢机齿轮箱座、制铁制钢机械、碾煤机、化纤机械、堆取料机、钢包回转台等各大领域

 电话/微信:138-8949-5179

SKF 60/1060 MB轴承详细信息

60/1060 MB轴承是【SKF轴承 > 滚动轴承 > 深沟球轴承】的型号,主要用在仪表、印刷机械、中型及大型电动机、轧钢机辊颈、轧钢机齿轮箱座、制铁制钢机械、碾煤机、化纤机械、堆取料机、钢包回转台等各大领域。

SKF 60/1060 MB轴承详细参数

深沟球轴承, 单列, 无密封件
主要数据尺寸基本负荷额定值疲劳负荷限值额定速度体积型号
动态静态参照速度限制速度
dDBCC0Pu
mmkNkNr/minkg-
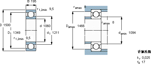
106015001951350390046,5600500108060/1060 MB

SKF 60/1060 MB轴承尺寸图纸

李工:138-8949-5179

刘工:135-0428-8802

地址:辽宁省大连经济技术开发区现代城3栋-13-13号

在线客服系统