轴承专区
Bearings Center
NA 22/8.2RS轴承-SKF NA 22/8.2RS轴承尺寸、图纸、价格
SKF NA 22/8.2RS轴承
| 产品名称: | NA 22/8.2RS轴承 | 品牌: | SKF |
|---|---|---|---|
| 类型: | SKF轴承 > 滚动轴承 > 滚轮轴承 | ||
| 描述: | NA 22/8.2RS轴承是【SKF轴承 > 滚动轴承 > 滚轮轴承】的型号,主要用在燃汽轮机、印刷机械、挖土机履带轮、轧钢机辊颈、破碎机、制铁制钢机械、电机厂、纺织、起重机械、数控设备等各大领域 | ||
电话/微信:138-8949-5179
SKF NA 22/8.2RS轴承详细信息
NA 22/8.2RS轴承是【SKF轴承 > 滚动轴承 > 滚轮轴承】的型号,主要用在燃汽轮机、印刷机械、挖土机履带轮、轧钢机辊颈、破碎机、制铁制钢机械、电机厂、纺织、起重机械、数控设备等各大领域。
SKF NA 22/8.2RS轴承详细参数
| 不带法兰圈支承滚子,有内圈 | |||||||||||
| 尺寸 | 基本负荷额定值 | 疲劳限值 | 最大径向负荷 | 限制速度 | 体积 | 型号 | |||||
| 动态 | 静态 | 动态 | 静态 | ||||||||
| D | d | C | C | C0 | Pu | Fr | F0r | ||||
| mm | kN | kN | kN | r/min | kg | - | |||||
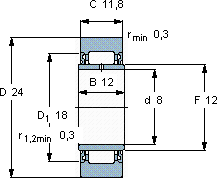
| 24 | 8 | 11,8 | 4,46 | 4,4 | 0,5 | 5 | 7,1 | 6700 | 0,034 | NA 22/8.2RS | |
SKF NA 22/8.2RS轴承尺寸图纸

