李工:138-8949-5179 刘工:135-0428-8802
型号查询
轴承型号   常见搜索: 23136轴承 6015轴承 6018轴承 6014轴承 6005轴承 32313轴承
型号查询 X

轴承专区

Bearings Center

53410轴承-SKF 53410轴承尺寸、图纸、价格

SKF 53410轴承

产品名称:53410轴承 品牌:SKF
类型:SKF轴承 > 滚动轴承 > 推力球轴承
描述:53410轴承是【SKF轴承 > 滚动轴承 > 推力球轴承】的型号,主要用在农业机械、空气压缩机、纺织机械传动轴、大型农业机械、木工机械、汽车转向销、钢铁厂、玩具、掘进机、刮泥机等各大领域

 电话/微信:138-8949-5179

SKF 53410轴承详细信息

53410轴承是【SKF轴承 > 滚动轴承 > 推力球轴承】的型号,主要用在农业机械、空气压缩机、纺织机械传动轴、大型农业机械、木工机械、汽车转向销、钢铁厂、玩具、掘进机、刮泥机等各大领域。

SKF 53410轴承详细参数

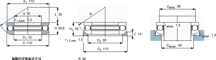
推力球轴承, 单向,带球面轴承座垫圈
主要数据尺寸基本负荷额定值疲劳负荷限值最小负荷系数额定速度体积 型号
动态静态参照速度限制速度轴承 +垫圈轴承基座垫圈
dDH1CC0PuA
mmkNkN-r/minkg-
501105015934012,50,60200028002,3153410U 410

SKF 53410轴承尺寸图纸

李工:138-8949-5179

刘工:135-0428-8802

地址:辽宁省大连经济技术开发区现代城3栋-13-13号

在线客服系统