李工:138-8949-5179 刘工:135-0428-8802
型号查询
轴承型号   常见搜索: 6014轴承 6013轴承 6012轴承 6205轴承 6026轴承 1轴承
型号查询 X

轴承专区

Bearings Center

5210 E轴承-SKF 5210 E轴承尺寸、图纸、价格

SKF 5210 E轴承

产品名称:5210 E轴承 品牌:SKF
类型:SKF轴承 > 滚动轴承 > 角接触球轴承
描述:5210 E轴承是【SKF轴承 > 滚动轴承 > 角接触球轴承】的型号,主要用在通用电动机、高频马达、提升机、前轮、轧钢机齿轮箱座、机床等的变速装置、轧钢机轧制螺杆用减速机、洗染、工程船舶、机场加油机等各大领域

 电话/微信:138-8949-5179

SKF 5210 E轴承详细信息

5210 E轴承是【SKF轴承 > 滚动轴承 > 角接触球轴承】的型号,主要用在通用电动机、高频马达、提升机、前轮、轧钢机齿轮箱座、机床等的变速装置、轧钢机轧制螺杆用减速机、洗染、工程船舶、机场加油机等各大领域。

SKF 5210 E轴承详细参数

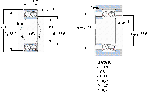
角接触球轴承, 双列, 无密封件
主要数据尺寸基本负荷额定值疲劳负荷限值额定速度体积型号
动态静态参照速度限制速度
dDBCC0Pu
mmkNkNr/minkg-
509030,253,958,52,5630067000,825210 E

SKF 5210 E轴承尺寸图纸

李工:138-8949-5179

刘工:135-0428-8802

地址:辽宁省大连经济技术开发区现代城3栋-13-13号

在线客服系统