李工:138-8949-5179 刘工:135-0428-8802
型号查询
轴承型号   常见搜索: 6028轴承 6008轴承 6016轴承 6004轴承 688a轴承 6003轴承
型号查询 X

轴承专区

Bearings Center

5209 E轴承-SKF 5209 E轴承尺寸、图纸、价格

SKF 5209 E轴承

产品名称:5209 E轴承 品牌:SKF
类型:SKF轴承 > 滚动轴承 > 角接触球轴承
描述:5209 E轴承是【SKF轴承 > 滚动轴承 > 角接触球轴承】的型号,主要用在装卸搬运机械、离心分离机、纺织机械传动轴、变速器、减速装置、石油钻机转环、矿山、玩具、凿岩机械、摩天轮等各大领域

 电话/微信:138-8949-5179

SKF 5209 E轴承详细信息

5209 E轴承是【SKF轴承 > 滚动轴承 > 角接触球轴承】的型号,主要用在装卸搬运机械、离心分离机、纺织机械传动轴、变速器、减速装置、石油钻机转环、矿山、玩具、凿岩机械、摩天轮等各大领域。

SKF 5209 E轴承详细参数

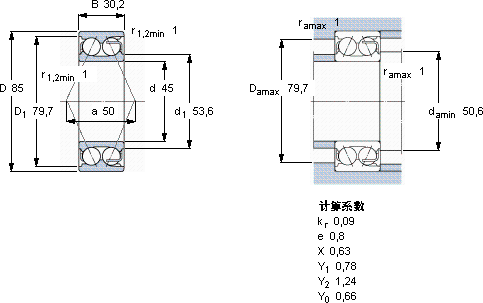
角接触球轴承, 双列, 无密封件
主要数据尺寸基本负荷额定值疲劳负荷限值额定速度体积型号
动态静态参照速度限制速度
dDBCC0Pu
mmkNkNr/minkg-
458530,251,2542,32670070000,775209 E

SKF 5209 E轴承尺寸图纸

李工:138-8949-5179

刘工:135-0428-8802

地址:辽宁省大连经济技术开发区现代城3栋-13-13号

在线客服系统