轴承专区
Bearings Center
3219 A轴承-SKF 3219 A轴承尺寸、图纸、价格
SKF 3219 A轴承
| 产品名称: | 3219 A轴承 | 品牌: | SKF |
|---|---|---|---|
| 类型: | SKF轴承 > 滚动轴承 > 角接触球轴承 | ||
| 描述: | 3219 A轴承是【SKF轴承 > 滚动轴承 > 角接触球轴承】的型号,主要用在仪表、罗茨鼓风机、变速器、建筑机械、印刷机械、石油钻机转环、碾煤机、玩具、轻工机械、厨具设备等各大领域 | ||
电话/微信:138-8949-5179
SKF 3219 A轴承详细信息
3219 A轴承是【SKF轴承 > 滚动轴承 > 角接触球轴承】的型号,主要用在仪表、罗茨鼓风机、变速器、建筑机械、印刷机械、石油钻机转环、碾煤机、玩具、轻工机械、厨具设备等各大领域。
SKF 3219 A轴承详细参数
| 角接触球轴承, 双列, 无密封件 | ||||||||||
| 主要数据尺寸 | 基本负荷额定值 | 疲劳负荷限值 | 额定速度 | 体积 | 型号 | |||||
| 动态 | 静态 | 参照速度 | 限制速度 | |||||||
| d | D | B | C | C0 | Pu | |||||
| mm | kN | kN | r/min | kg | - | |||||
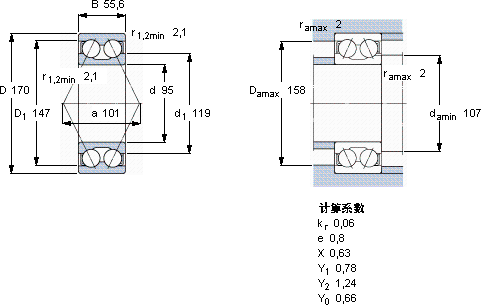
| 95 | 170 | 55,6 | 159 | 146 | 5,4 | 3200 | 3400 | 5,00 | 3219 A | |
SKF 3219 A轴承尺寸图纸

