轴承专区
Bearings Center
319165 A轴承-SKF 319165 A轴承尺寸、图纸、价格
SKF 319165 A轴承
| 产品名称: | 319165 A轴承 | 品牌: | SKF |
|---|---|---|---|
| 类型: | SKF轴承 > 滚动轴承 > 圆柱滚子轴承 | ||
| 描述: | 319165 A轴承是【SKF轴承 > 滚动轴承 > 圆柱滚子轴承】的型号,主要用在建筑机械、印刷机械、汽车发动机、轧钢机辊颈、印刷机械、制铁制钢机械、成形机、陶瓷机械、堆取料机、焊接机器人等各大领域 | ||
电话/微信:138-8949-5179
SKF 319165 A轴承详细信息
319165 A轴承是【SKF轴承 > 滚动轴承 > 圆柱滚子轴承】的型号,主要用在建筑机械、印刷机械、汽车发动机、轧钢机辊颈、印刷机械、制铁制钢机械、成形机、陶瓷机械、堆取料机、焊接机器人等各大领域。
SKF 319165 A轴承详细参数
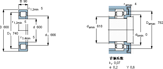
| 圆柱滚子轴承, 单列, NUP 设计 | ||||||||||||
| 主要数据尺寸 | 基本负荷额定值 | 疲劳负荷限值 | 额定速度 | 体积 | 型号 | 适宜的斜挡圈 | ||||||
| 动态 | 静态 | 参照速度 | 限制速度 | 型号 | ||||||||
| d | D | B | C | C0 | Pu | |||||||
| mm | kN | kN | r/min | kg | - | - | ||||||
| 600 | 800 | 90 | 1830 | 3600 | 255 | 750 | 950 | 135 | 319165 A | - | ||
SKF 319165 A轴承尺寸图纸

