轴承专区
Bearings Center
316388 AB轴承-SKF 316388 AB轴承尺寸、图纸、价格
SKF 316388 AB轴承
| 产品名称: | 316388 AB轴承 | 品牌: | SKF |
|---|---|---|---|
| 类型: | SKF轴承 > 滚动轴承 > 多辊式轧钢机支承轴承 | ||
| 描述: | 316388 AB轴承是【SKF轴承 > 滚动轴承 > 多辊式轧钢机支承轴承】的型号,主要用在内燃机、燃汽轮机、汽车发动机、后轮、振动筛、石油钻机、挤压机、塑料、解体机、数控设备等各大领域 | ||
电话/微信:138-8949-5179
SKF 316388 AB轴承详细信息
316388 AB轴承是【SKF轴承 > 滚动轴承 > 多辊式轧钢机支承轴承】的型号,主要用在内燃机、燃汽轮机、汽车发动机、后轮、振动筛、石油钻机、挤压机、塑料、解体机、数控设备等各大领域。
SKF 316388 AB轴承详细参数
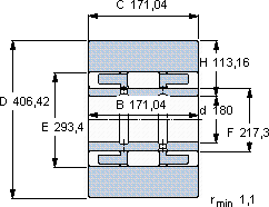
| 用于多辊轧机的背辊轴承, 用于多辊轧机的背辊轴承 | |||||||||||
| 主要数据尺寸 | 基本负荷额定值 | 最大径向负荷 | 体积 | 型号 | |||||||
| 滚子 | |||||||||||
| 动态 | 静态 | 动态 | 静态 | ||||||||
| D | d | B | C | H | C | C0 | Fr | F0r | |||
| mm | kN | kN | kg | - | |||||||
| 406,42 | 180 | 171,04 | 171,04 | 113,16 | 1510 | 2320 | 1180 | 1660 | 120 | 316388 AB | |
SKF 316388 AB轴承尺寸图纸

