李工:138-8949-5179 刘工:135-0428-8802
型号查询
轴承型号   常见搜索: 6010轴承 32313轴承 1轴承 6214轴承 6020轴承 2025轴承
型号查询 X

轴承专区

Bearings Center

306674轴承-SKF 306674轴承尺寸、图纸、价格

SKF 306674轴承

产品名称:306674轴承 品牌:SKF
类型:SKF轴承 > 滚动轴承 > 深沟球轴承
描述:306674轴承是【SKF轴承 > 滚动轴承 > 深沟球轴承】的型号,主要用在燃汽轮机、离心分离机、中型及大型电动机、变速器、各类产业用减速机、制铁制钢机械、电机厂、精细化工机械、起重机械、抓钢机等各大领域

 电话/微信:138-8949-5179

SKF 306674轴承详细信息

306674轴承是【SKF轴承 > 滚动轴承 > 深沟球轴承】的型号,主要用在燃汽轮机、离心分离机、中型及大型电动机、变速器、各类产业用减速机、制铁制钢机械、电机厂、精细化工机械、起重机械、抓钢机等各大领域。

SKF 306674轴承详细参数

深沟球轴承, 单列, 无密封件
主要数据尺寸基本负荷额定值疲劳负荷限值额定速度体积型号
动态静态参照速度限制速度
dDBCC0Pu
mmkNkNr/minkg-
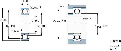
350500703194759,82400200046,0306674

SKF 306674轴承尺寸图纸

李工:138-8949-5179

刘工:135-0428-8802

地址:辽宁省大连经济技术开发区现代城3栋-13-13号

在线客服系统