李工:138-8949-5179 刘工:135-0428-8802
型号查询
轴承型号   常见搜索: 3214轴承 22222轴承 6026轴承 *轴承 6906轴承 6019轴承
型号查询 X

轴承专区

Bearings Center

315轴承-SKF 315轴承尺寸、图纸、价格

SKF 315轴承

产品名称:315轴承 品牌:SKF
类型:SKF轴承 > 滚动轴承 > 深沟球轴承
描述:315轴承是【SKF轴承 > 滚动轴承 > 深沟球轴承】的型号,主要用在后轮、燃汽轮机、汽车发动机、后轮、振动筛、石油钻机、水力发电机、陶瓷机械、解体机、焊接机器人等各大领域

 电话/微信:138-8949-5179

SKF 315轴承详细信息

315轴承是【SKF轴承 > 滚动轴承 > 深沟球轴承】的型号,主要用在后轮、燃汽轮机、汽车发动机、后轮、振动筛、石油钻机、水力发电机、陶瓷机械、解体机、焊接机器人等各大领域。

SKF 315轴承详细参数

深沟球轴承, 单列,带装球缺口, 无密封件
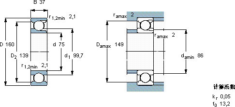
主要数据尺寸基本负荷额定值疲劳负荷限值额定速度体积型号
动态静态参照速度限制速度
dDBCC0Pu
mmkNkNr/minkg-
75160371251164,55750048003,25315

SKF 315轴承尺寸图纸

李工:138-8949-5179

刘工:135-0428-8802

地址:辽宁省大连经济技术开发区现代城3栋-13-13号

在线客服系统