李工:138-8949-5179 刘工:135-0428-8802
型号查询
轴承型号   常见搜索: 6011轴承 6001轴承 617轴承 6015轴承 6020轴承 6304轴承
型号查询 X

轴承专区

Bearings Center

313450 B轴承-SKF 313450 B轴承尺寸、图纸、价格

SKF 313450 B轴承

产品名称:313450 B轴承 品牌:SKF
类型:SKF轴承 > 滚动轴承 > 圆柱滚子轴承
描述:313450 B轴承是【SKF轴承 > 滚动轴承 > 圆柱滚子轴承】的型号,主要用在电气装置部件、燃汽轮机、汽车发动机、后轮、造纸机械、起重机吊钩、船舶用螺旋桨轴、塑料、专用车、风力发电设备等各大领域

 电话/微信:138-8949-5179

SKF 313450 B轴承详细信息

313450 B轴承是【SKF轴承 > 滚动轴承 > 圆柱滚子轴承】的型号,主要用在电气装置部件、燃汽轮机、汽车发动机、后轮、造纸机械、起重机吊钩、船舶用螺旋桨轴、塑料、专用车、风力发电设备等各大领域。

SKF 313450 B轴承详细参数

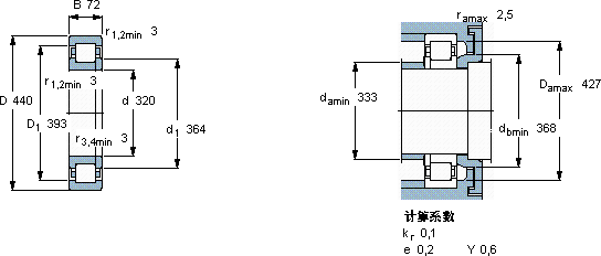
圆柱滚子轴承, 单列, NUP 设计
主要数据尺寸基本负荷额定值疲劳负荷限值额定速度体积型号适宜的斜挡圈
动态静态参照速度限制速度型号
dDBCC0Pu
mmkNkNr/minkg--
3204407276515001401400140034,5313450 B-

SKF 313450 B轴承尺寸图纸

李工:138-8949-5179

刘工:135-0428-8802

地址:辽宁省大连经济技术开发区现代城3栋-13-13号

在线客服系统