李工:138-8949-5179 刘工:135-0428-8802
型号查询
轴承型号   常见搜索: 6022轴承 6026轴承 6205轴承 7014轴承 6019轴承 6003轴承
型号查询 X

轴承专区

Bearings Center

53211轴承-SKF 53211轴承尺寸、图纸、价格

SKF 53211轴承

产品名称:53211轴承 品牌:SKF
类型:SKF轴承 > 滚动轴承 > 推力球轴承
描述:53211轴承是【SKF轴承 > 滚动轴承 > 推力球轴承】的型号,主要用在各种产业机械、各类变速器、中型及大型电动机、铁路车辆、各类产业用减速机、机床主轴、发电厂、钟表、混凝土机械、塔式车库等各大领域

 电话/微信:138-8949-5179

SKF 53211轴承详细信息

53211轴承是【SKF轴承 > 滚动轴承 > 推力球轴承】的型号,主要用在各种产业机械、各类变速器、中型及大型电动机、铁路车辆、各类产业用减速机、机床主轴、发电厂、钟表、混凝土机械、塔式车库等各大领域。

SKF 53211轴承详细参数

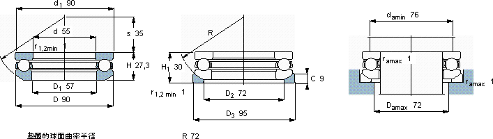
推力球轴承, 单向,带球面轴承座垫圈
主要数据尺寸基本负荷额定值疲劳负荷限值最小负荷系数额定速度体积 型号
动态静态参照速度限制速度轴承 +垫圈轴承基座垫圈
dDH1CC0PuA
mmkNkN-r/minkg-
55903061,81465,40,11280040000,7553211U 211

SKF 53211轴承尺寸图纸

李工:138-8949-5179

刘工:135-0428-8802

地址:辽宁省大连经济技术开发区现代城3栋-13-13号

在线客服系统