李工:138-8949-5179 刘工:135-0428-8802
型号查询
轴承型号   常见搜索: 22222轴承 2026轴承 6022轴承 6012轴承 6014轴承 3214轴承
型号查询 X

轴承专区

Bearings Center

307 NR轴承-SKF 307 NR轴承尺寸、图纸、价格

SKF 307 NR轴承

产品名称:307 NR轴承 品牌:SKF
类型:SKF轴承 > 滚动轴承 > 深沟球轴承
描述:307 NR轴承是【SKF轴承 > 滚动轴承 > 深沟球轴承】的型号,主要用在各种产业机械、差速器小齿轮轴、汽车发动机、小齿轮轴、破碎机、机床主轴、发电厂、玩具、混凝土机械、雷达等各大领域

 电话/微信:138-8949-5179

SKF 307 NR轴承详细信息

307 NR轴承是【SKF轴承 > 滚动轴承 > 深沟球轴承】的型号,主要用在各种产业机械、差速器小齿轮轴、汽车发动机、小齿轮轴、破碎机、机床主轴、发电厂、玩具、混凝土机械、雷达等各大领域。

SKF 307 NR轴承详细参数

深沟球轴承, 单列,带装球缺口和止动环槽, 无密封件
主要数据尺寸基本负荷额定值疲劳负荷限值额定速度体积型号
动态静态参照速度限制速度轴承,带止动环止动环
dDBCC0Pu
mmkNkNr/minkg-
35802139,128,51,216000100000,48307 NRSP 80

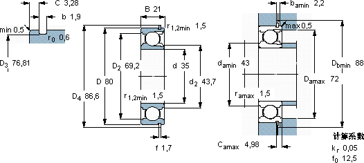
SKF 307 NR轴承尺寸图纸

李工:138-8949-5179

刘工:135-0428-8802

地址:辽宁省大连经济技术开发区现代城3栋-13-13号

在线客服系统