李工:138-8949-5179 刘工:135-0428-8802
型号查询
轴承型号   常见搜索: 6305轴承 6011轴承 23136轴承 3214轴承 6005轴承 6900轴承
型号查询 X

轴承专区

Bearings Center

306 NR轴承-SKF 306 NR轴承尺寸、图纸、价格

SKF 306 NR轴承

产品名称:306 NR轴承 品牌:SKF
类型:SKF轴承 > 滚动轴承 > 深沟球轴承
描述:306 NR轴承是【SKF轴承 > 滚动轴承 > 深沟球轴承】的型号,主要用在仪表、印刷机械、木工机械、轧钢机辊颈、各类产业用减速机、制铁制钢机械、碾煤机、破碎、堆取料机、钢包回转台等各大领域

 电话/微信:138-8949-5179

SKF 306 NR轴承详细信息

306 NR轴承是【SKF轴承 > 滚动轴承 > 深沟球轴承】的型号,主要用在仪表、印刷机械、木工机械、轧钢机辊颈、各类产业用减速机、制铁制钢机械、碾煤机、破碎、堆取料机、钢包回转台等各大领域。

SKF 306 NR轴承详细参数

深沟球轴承, 单列,带装球缺口和止动环槽, 无密封件
主要数据尺寸基本负荷额定值疲劳负荷限值额定速度体积型号
动态静态参照速度限制速度轴承,带止动环止动环
dDBCC0Pu
mmkNkNr/minkg-
30721929,220,80,8818000110000,37306 NRSP 72

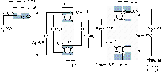
SKF 306 NR轴承尺寸图纸

李工:138-8949-5179

刘工:135-0428-8802

地址:辽宁省大连经济技术开发区现代城3栋-13-13号

在线客服系统