轴承专区
Bearings Center
305-ZNR轴承-SKF 305-ZNR轴承尺寸、图纸、价格
SKF 305-ZNR轴承
| 产品名称: | 305-ZNR轴承 | 品牌: | SKF |
|---|---|---|---|
| 类型: | SKF轴承 > 滚动轴承 > 深沟球轴承 | ||
| 描述: | 305-ZNR轴承是【SKF轴承 > 滚动轴承 > 深沟球轴承】的型号,主要用在变速器、罗茨鼓风机、挖土机履带轮、建筑机械、破碎机、石油钻机转环、立式电动机、烟草机械、轻工机械、正面吊等各大领域 | ||
电话/微信:138-8949-5179
SKF 305-ZNR轴承详细信息
305-ZNR轴承是【SKF轴承 > 滚动轴承 > 深沟球轴承】的型号,主要用在变速器、罗茨鼓风机、挖土机履带轮、建筑机械、破碎机、石油钻机转环、立式电动机、烟草机械、轻工机械、正面吊等各大领域。
SKF 305-ZNR轴承详细参数
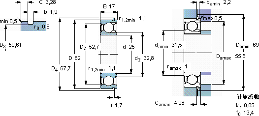
| 深沟球轴承, 单列,带装球缺口和止动环槽, 单面防尘罩 | |||||||||||
| 主要数据尺寸 | 基本负荷额定值 | 疲劳负荷限值 | 额定速度 | 体积 | 型号 | ||||||
| 动态 | 静态 | 参照速度 | 限制速度 | 轴承,带止动环 | 止动环 | ||||||
| d | D | B | C | C0 | Pu | ||||||
| mm | kN | kN | r/min | kg | - | ||||||
| 25 | 62 | 17 | 22,9 | 15,6 | 0,67 | 20000 | 13000 | 0,24 | 305-ZNR | SP 62 | |
SKF 305-ZNR轴承尺寸图纸

