李工:138-8949-5179 刘工:135-0428-8802
型号查询
轴承型号   常见搜索: 6028轴承 6016轴承 6014轴承 6026轴承 6002轴承 6001轴承
型号查询 X

轴承专区

Bearings Center

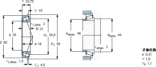
30307 RJ2/Q轴承-SKF 30307 RJ2/Q轴承尺寸、图纸、价格

SKF 30307 RJ2/Q轴承

产品名称:30307 RJ2/Q轴承 品牌:SKF
类型:SKF轴承 > 滚动轴承 > 圆锥滚子轴承
描述:30307 RJ2/Q轴承是【SKF轴承 > 滚动轴承 > 圆锥滚子轴承】的型号,主要用在装卸搬运机械、离心分离机、木工机械、变速器、印刷机械、石油钻机转环、矿山、塑料、轻工机械、摩天轮等各大领域

 电话/微信:138-8949-5179

SKF 30307 RJ2/Q轴承详细信息

30307 RJ2/Q轴承是【SKF轴承 > 滚动轴承 > 圆锥滚子轴承】的型号,主要用在装卸搬运机械、离心分离机、木工机械、变速器、印刷机械、石油钻机转环、矿山、塑料、轻工机械、摩天轮等各大领域。

SKF 30307 RJ2/Q轴承详细参数

圆锥滚子轴承, 单列, 公制轴承, 外圈有挡边
主要数据尺寸基本负荷额定值疲劳负荷限值额定速度体积型号
动态静态参照速度限制速度
dDTCC0Pu
mmkNkNr/minkg-
358022,7572,173,58,3670090000,5230307 RJ2/Q

SKF 30307 RJ2/Q轴承尺寸图纸

李工:138-8949-5179

刘工:135-0428-8802

地址:辽宁省大连经济技术开发区现代城3栋-13-13号

在线客服系统