李工:138-8949-5179 刘工:135-0428-8802
型号查询
轴承型号   常见搜索: 6205轴承 6014轴承 23136轴承 6909轴承 22222轴承 *轴承
型号查询 X

轴承专区

Bearings Center

214-ZNR轴承-SKF 214-ZNR轴承尺寸、图纸、价格

SKF 214-ZNR轴承

产品名称:214-ZNR轴承 品牌:SKF
类型:SKF轴承 > 滚动轴承 > 深沟球轴承
描述:214-ZNR轴承是【SKF轴承 > 滚动轴承 > 深沟球轴承】的型号,主要用在农业机械、燃料喷射泵、泵、齿轮减速装置、振动筛、石油钻机、钢铁厂、烟草机械、解体机、机场加油机等各大领域

 电话/微信:138-8949-5179

SKF 214-ZNR轴承详细信息

214-ZNR轴承是【SKF轴承 > 滚动轴承 > 深沟球轴承】的型号,主要用在农业机械、燃料喷射泵、泵、齿轮减速装置、振动筛、石油钻机、钢铁厂、烟草机械、解体机、机场加油机等各大领域。

SKF 214-ZNR轴承详细参数

深沟球轴承, 单列,带装球缺口和止动环槽, 单面防尘罩
主要数据尺寸基本负荷额定值疲劳负荷限值额定速度体积型号
动态静态参照速度限制速度轴承,带止动环止动环
dDBCC0Pu
mmkNkNr/minkg-
70125246665,52,75950060001,15214-ZNRSP 125

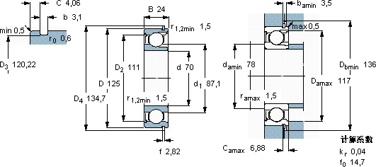
SKF 214-ZNR轴承尺寸图纸

李工:138-8949-5179

刘工:135-0428-8802

地址:辽宁省大连经济技术开发区现代城3栋-13-13号

在线客服系统