李工:138-8949-5179 刘工:135-0428-8802
型号查询
轴承型号   常见搜索: 6009轴承 6019轴承 6030轴承 71913轴承 6909轴承 6024轴承
型号查询 X

轴承专区

Bearings Center

6417轴承-SKF 6417轴承尺寸、图纸、价格

SKF 6417轴承

产品名称:6417轴承 品牌:SKF
类型:SKF轴承 > 滚动轴承 > 深沟球轴承
描述:6417轴承是【SKF轴承 > 滚动轴承 > 深沟球轴承】的型号,主要用在燃汽轮机、罗茨鼓风机、压缩机、建筑机械、破碎机、制铁制钢机械、电机厂、医药设备、起重机械、码垛机器人等各大领域

 电话/微信:138-8949-5179

SKF 6417轴承详细信息

6417轴承是【SKF轴承 > 滚动轴承 > 深沟球轴承】的型号,主要用在燃汽轮机、罗茨鼓风机、压缩机、建筑机械、破碎机、制铁制钢机械、电机厂、医药设备、起重机械、码垛机器人等各大领域。

SKF 6417轴承详细参数

深沟球轴承, 单列, 无密封件
主要数据尺寸基本负荷额定值疲劳负荷限值额定速度体积型号
动态静态参照速度限制速度
dDBCC0Pu
mmkNkNr/minkg-
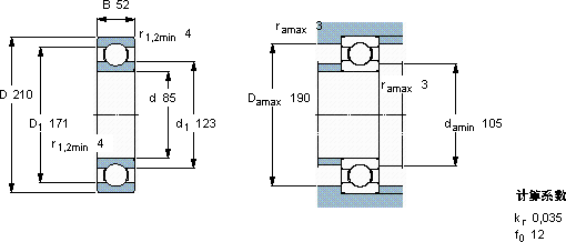
85210521741374,75700045009,506417

SKF 6417轴承尺寸图纸

李工:138-8949-5179

刘工:135-0428-8802

地址:辽宁省大连经济技术开发区现代城3栋-13-13号

在线客服系统