李工:138-8949-5179 刘工:135-0428-8802
型号查询
轴承型号   常见搜索: 6018轴承 688a轴承 6909轴承 22222轴承 6028轴承 6020轴承
型号查询 X

轴承专区

Bearings Center

22217 E/W64 *轴承-SKF 22217 E/W64 *轴承尺寸、图纸、价格

SKF 22217 E/W64 *轴承

产品名称:22217 E/W64 *轴承 品牌:SKF
类型:SKF轴承 > 滚动轴承 > 球面滚子轴承
描述:22217 E/W64 *轴承是【SKF轴承 > 滚动轴承 > 球面滚子轴承】的型号,主要用在电气装置部件、油泵、中型及大型电动机、机床主轴、轧钢机辊道子、石油钻机、船舶用螺旋桨轴、陶瓷机械、给料机械、摩天轮等各大领域

 电话/微信:138-8949-5179

SKF 22217 E/W64 *轴承详细信息

22217 E/W64 *轴承是【SKF轴承 > 滚动轴承 > 球面滚子轴承】的型号,主要用在电气装置部件、油泵、中型及大型电动机、机床主轴、轧钢机辊道子、石油钻机、船舶用螺旋桨轴、陶瓷机械、给料机械、摩天轮等各大领域。

SKF 22217 E/W64 *轴承详细参数

球面滚子轴承, 圆柱型内孔,含Solid Oil, 圆柱型内孔
主要数据尺寸基本负荷额定值疲劳负荷限值限制速度体积型号
动态静态
dDBCC0Pu * - SKF Explorer 轴承
mmkNkNr/minkg-
851503628532534,53602,6522217 E/W64 *

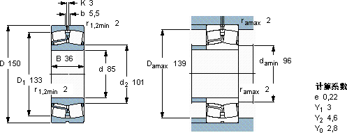
SKF 22217 E/W64 *轴承尺寸图纸

李工:138-8949-5179

刘工:135-0428-8802

地址:辽宁省大连经济技术开发区现代城3栋-13-13号

在线客服系统