李工:138-8949-5179 刘工:135-0428-8802
型号查询
轴承型号   常见搜索: 6013轴承 6028轴承 6016轴承 6003轴承 6026轴承 6309轴承
型号查询 X

轴承专区

Bearings Center

2 x 71972 ACGMB轴承-SKF 2 x 71972 ACGMB轴承尺寸、图纸、价格

SKF 2 x 71972 ACGMB轴承

产品名称:2 x 71972 ACGMB轴承 品牌:SKF
类型:SKF轴承 > 滚动轴承 > 角接触球轴承
描述:2 x 71972 ACGMB轴承是【SKF轴承 > 滚动轴承 > 角接触球轴承】的型号,主要用在装卸搬运机械、各类变速器、压缩机、铁路车辆、减速装置、机床等的变速装置、矿山、破碎、压路机、摩天轮等各大领域

 电话/微信:138-8949-5179

SKF 2 x 71972 ACGMB轴承详细信息

2 x 71972 ACGMB轴承是【SKF轴承 > 滚动轴承 > 角接触球轴承】的型号,主要用在装卸搬运机械、各类变速器、压缩机、铁路车辆、减速装置、机床等的变速装置、矿山、破碎、压路机、摩天轮等各大领域。

SKF 2 x 71972 ACGMB轴承详细参数

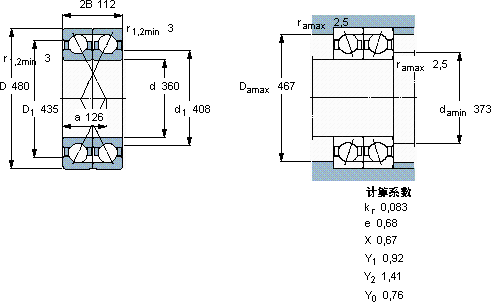
角接触球轴承, 单列,用于配对安装, 面对面配对
主要数据尺寸基本负荷额定值疲劳负荷限值额定速度体积型号轴承配对
动态静态参照速度限制速度
dD2BCC0Pu
mmkNkNr/minkg--
3604801125721270261100150057,02 × 71972 ACGMBDF

SKF 2 x 71972 ACGMB轴承尺寸图纸

李工:138-8949-5179

刘工:135-0428-8802

地址:辽宁省大连经济技术开发区现代城3栋-13-13号

在线客服系统