轴承专区
Bearings Center
53224轴承-SKF 53224轴承尺寸、图纸、价格
SKF 53224轴承
| 产品名称: | 53224轴承 | 品牌: | SKF |
|---|---|---|---|
| 类型: | SKF轴承 > 滚动轴承 > 推力球轴承 | ||
| 描述: | 53224轴承是【SKF轴承 > 滚动轴承 > 推力球轴承】的型号,主要用在农业机械、机床主轴、发电机、汽车、振动筛、耕耘机、钢铁厂、破碎、平地机、太阳能发电设备等各大领域 | ||
电话/微信:138-8949-5179
SKF 53224轴承详细信息
53224轴承是【SKF轴承 > 滚动轴承 > 推力球轴承】的型号,主要用在农业机械、机床主轴、发电机、汽车、振动筛、耕耘机、钢铁厂、破碎、平地机、太阳能发电设备等各大领域。
SKF 53224轴承详细参数
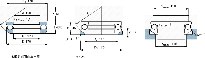
| 推力球轴承, 单向,带球面轴承座垫圈 | ||||||||||||
| 主要数据尺寸 | 基本负荷额定值 | 疲劳负荷限值 | 最小负荷系数 | 额定速度 | 体积 | 型号 | ||||||
| 动态 | 静态 | 参照速度 | 限制速度 | 轴承 +垫圈 | 轴承 | 基座垫圈 | ||||||
| d | D | H1 | C | C0 | Pu | A | ||||||
| mm | kN | kN | - | r/min | kg | - | ||||||
| 120 | 170 | 46 | 140 | 440 | 13,4 | 1 | 1600 | 2200 | 3,20 | 53224 | U 224 | |
SKF 53224轴承尺寸图纸

