轴承专区
Bearings Center
24138 CCK30/W33 + AH 24138 *轴承-SKF 24138 CCK30/W33 + AH 24138 *轴承尺寸、图纸、价格
SKF 24138 CCK30/W33 + AH 24138 *轴承
| 产品名称: | 24138 CCK30/W33 + AH 24138 *轴承 | 品牌: | SKF |
|---|---|---|---|
| 类型: | SKF轴承 > 滚动轴承 > 球面滚子轴承 | ||
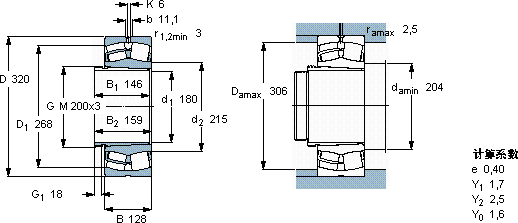
| 描述: | 24138 CCK30/W33 + AH 24138 *轴承是【SKF轴承 > 滚动轴承 > 球面滚子轴承】的型号,主要用在装卸搬运机械、罗茨鼓风机、变速器、建筑机械、减速装置、石油钻机转环、矿山、精细化工机械、轻工机械、伽玛等各大领域 | ||
电话/微信:138-8949-5179
SKF 24138 CCK30/W33 + AH 24138 *轴承详细信息
24138 CCK30/W33 + AH 24138 *轴承是【SKF轴承 > 滚动轴承 > 球面滚子轴承】的型号,主要用在装卸搬运机械、罗茨鼓风机、变速器、建筑机械、减速装置、石油钻机转环、矿山、精细化工机械、轻工机械、伽玛等各大领域。
SKF 24138 CCK30/W33 + AH 24138 *轴承详细参数
| 球面滚子轴承, 带退卸套的 | ||||||||||
| 主要数据尺寸 | 基本负荷额定值 | 疲劳负荷限值 | 额定速度 | 体积 | 型号 | |||||
| 动态 | 静态 | 参照速度 | 限制速度 | 轴承 +退卸套 | ||||||
| d1 | D | B | C | C0 | Pu | |||||
| * - SKF Explorer 轴承 | ||||||||||
| mm | kN | kN | r/min | kg | - | |||||
| 180 | 320 | 128 | 1600 | 2500 | 212 | 1200 | 1600 | 46,5 | 24138 CCK30/W33 + AH 24138 * | |
SKF 24138 CCK30/W33 + AH 24138 *轴承尺寸图纸

