李工:138-8949-5179 刘工:135-0428-8802
型号查询
轴承型号   常见搜索: 6006轴承 6205轴承 22222轴承 6909轴承 6014轴承 2025轴承
型号查询 X

轴承专区

Bearings Center

231/710 CA/W33轴承-SKF 231/710 CA/W33轴承尺寸、图纸、价格

SKF 231/710 CA/W33轴承

产品名称:231/710 CA/W33轴承 品牌:SKF
类型:SKF轴承 > 滚动轴承 > 球面滚子轴承
描述:231/710 CA/W33轴承是【SKF轴承 > 滚动轴承 > 球面滚子轴承】的型号,主要用在电气装置部件、燃料喷射泵、泵、齿轮减速装置、造纸机械、起重机吊钩、船舶用螺旋桨轴、塑料、强夯机、伽玛等各大领域

 电话/微信:138-8949-5179

SKF 231/710 CA/W33轴承详细信息

231/710 CA/W33轴承是【SKF轴承 > 滚动轴承 > 球面滚子轴承】的型号,主要用在电气装置部件、燃料喷射泵、泵、齿轮减速装置、造纸机械、起重机吊钩、船舶用螺旋桨轴、塑料、强夯机、伽玛等各大领域。

SKF 231/710 CA/W33轴承详细参数

球面滚子轴承, 圆柱和圆锥孔, 圆柱型内孔, 无密封件
主要数据尺寸基本负荷额定值疲劳负荷限值额定速度体积型号
动态静态参照速度限制速度
dDBCC0Pu
mmkNkNr/minkg-
7101150345122002600015302404501450231/710 CA/W33

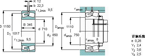
SKF 231/710 CA/W33轴承尺寸图纸

李工:138-8949-5179

刘工:135-0428-8802

地址:辽宁省大连经济技术开发区现代城3栋-13-13号

在线客服系统