李工:138-8949-5179 刘工:135-0428-8802
型号查询
轴承型号   常见搜索: 6021轴承 6304轴承 6009轴承 6013轴承 688a轴承 2025轴承
型号查询 X

轴承专区

Bearings Center

24122 CCK30/W33 + AH 24122 *轴承-SKF 24122 CCK30/W33 + AH 24122 *轴承尺寸、图纸、价格

SKF 24122 CCK30/W33 + AH 24122 *轴承

产品名称:24122 CCK30/W33 + AH 24122 *轴承 品牌:SKF
类型:SKF轴承 > 滚动轴承 > 球面滚子轴承
描述:24122 CCK30/W33 + AH 24122 *轴承是【SKF轴承 > 滚动轴承 > 球面滚子轴承】的型号,主要用在装卸搬运机械、印刷机械、发电机、轧钢机辊颈、破碎机、石油钻机转环、矿山、啤酒、凿岩机械、风力发电设备等各大领域

 电话/微信:138-8949-5179

SKF 24122 CCK30/W33 + AH 24122 *轴承详细信息

24122 CCK30/W33 + AH 24122 *轴承是【SKF轴承 > 滚动轴承 > 球面滚子轴承】的型号,主要用在装卸搬运机械、印刷机械、发电机、轧钢机辊颈、破碎机、石油钻机转环、矿山、啤酒、凿岩机械、风力发电设备等各大领域。

SKF 24122 CCK30/W33 + AH 24122 *轴承详细参数

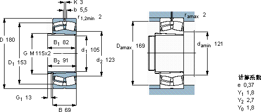
球面滚子轴承, 带退卸套的
主要数据尺寸基本负荷额定值疲劳负荷限值额定速度体积型号
动态静态参照速度限制速度轴承 +退卸套
d1DBCC0Pu
* - SKF Explorer 轴承
mmkNkNr/minkg-
1051806952075078220030007,7024122 CCK30/W33 + AH 24122 *

SKF 24122 CCK30/W33 + AH 24122 *轴承尺寸图纸

李工:138-8949-5179

刘工:135-0428-8802

地址:辽宁省大连经济技术开发区现代城3栋-13-13号

在线客服系统