轴承专区
Bearings Center
6415轴承-SKF 6415轴承尺寸、图纸、价格
SKF 6415轴承
| 产品名称: | 6415轴承 | 品牌: | SKF |
|---|---|---|---|
| 类型: | SKF轴承 > 滚动轴承 > 深沟球轴承 | ||
| 描述: | 6415轴承是【SKF轴承 > 滚动轴承 > 深沟球轴承】的型号,主要用在装卸搬运机械、各类变速器、减速装置、铁路车辆、各类产业用减速机、机床等的变速装置、矿山、化纤机械、工程船舶、摩天轮等各大领域 | ||
电话/微信:138-8949-5179
SKF 6415轴承详细信息
6415轴承是【SKF轴承 > 滚动轴承 > 深沟球轴承】的型号,主要用在装卸搬运机械、各类变速器、减速装置、铁路车辆、各类产业用减速机、机床等的变速装置、矿山、化纤机械、工程船舶、摩天轮等各大领域。
SKF 6415轴承详细参数
| 深沟球轴承, 单列, 无密封件 | |||||||||||
| 主要数据尺寸 | 基本负荷额定值 | 疲劳负荷限值 | 额定速度 | 体积 | 型号 | ||||||
| 动态 | 静态 | 参照速度 | 限制速度 | ||||||||
| d | D | B | C | C0 | Pu | ||||||
| mm | kN | kN | r/min | kg | - | ||||||
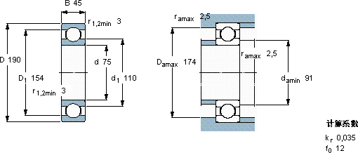
| 75 | 190 | 45 | 153 | 114 | 4,15 | 8000 | 5000 | 6,80 | 6415 | ||
SKF 6415轴承尺寸图纸

