李工:138-8949-5179 刘工:135-0428-8802
型号查询
轴承型号   常见搜索: 6013轴承 6906轴承 32313轴承 6008轴承 6304轴承 6017轴承
型号查询 X

轴承专区

Bearings Center

239/1060 CAK/W33 + OH 39/1060 H轴承-SKF 239/1060 CAK/W33 + OH 39/1060 H轴承尺寸、图纸、价格

SKF 239/1060 CAK/W33 + OH 39/1060 H轴承

产品名称:239/1060 CAK/W33 + OH 39/1060 H轴承 品牌:SKF
类型:SKF轴承 > 滚动轴承 > 球面滚子轴承
描述:239/1060 CAK/W33 + OH 39/1060 H轴承是【SKF轴承 > 滚动轴承 > 球面滚子轴承】的型号,主要用在仪表、高频马达、挖土机履带轮、前轮、各类产业用减速机、机床主轴、碾煤机、精细化工机械、混凝土机械、厨具设备等各大领域

 电话/微信:138-8949-5179

SKF 239/1060 CAK/W33 + OH 39/1060 H轴承详细信息

239/1060 CAK/W33 + OH 39/1060 H轴承是【SKF轴承 > 滚动轴承 > 球面滚子轴承】的型号,主要用在仪表、高频马达、挖土机履带轮、前轮、各类产业用减速机、机床主轴、碾煤机、精细化工机械、混凝土机械、厨具设备等各大领域。

SKF 239/1060 CAK/W33 + OH 39/1060 H轴承详细参数

球面滚子轴承, 带紧定套的
主要数据尺寸基本负荷额定值疲劳负荷限值额定速度体积型号
动态静态参照速度限制速度轴承 + 紧定套
d1DBCC0Pu
mmkNkNr/minkg-
1000140025095502600014601803601590239/1060 CAK/W33 + OH 39/1060 H

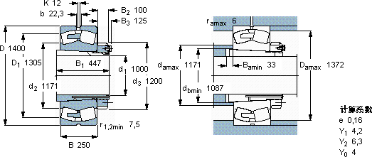
SKF 239/1060 CAK/W33 + OH 39/1060 H轴承尺寸图纸

李工:138-8949-5179

刘工:135-0428-8802

地址:辽宁省大连经济技术开发区现代城3栋-13-13号

在线客服系统