李工:138-8949-5179 刘工:135-0428-8802
型号查询
轴承型号   常见搜索: 6305轴承 6007轴承 6004轴承 3214轴承 6010轴承 6002轴承
型号查询 X

轴承专区

Bearings Center

23226 CCK/W33 + H 2326轴承-SKF 23226 CCK/W33 + H 2326轴承尺寸、图纸、价格

SKF 23226 CCK/W33 + H 2326轴承

产品名称:23226 CCK/W33 + H 2326轴承 品牌:SKF
类型:SKF轴承 > 滚动轴承 > 球面滚子轴承
描述:23226 CCK/W33 + H 2326轴承是【SKF轴承 > 滚动轴承 > 球面滚子轴承】的型号,主要用在铁路车辆、油泵、纺织机械传动轴、机床主轴、木工机械、石油钻机、冶炼厂、化纤机械、解体机、机械手等各大领域

 电话/微信:138-8949-5179

SKF 23226 CCK/W33 + H 2326轴承详细信息

23226 CCK/W33 + H 2326轴承是【SKF轴承 > 滚动轴承 > 球面滚子轴承】的型号,主要用在铁路车辆、油泵、纺织机械传动轴、机床主轴、木工机械、石油钻机、冶炼厂、化纤机械、解体机、机械手等各大领域。

SKF 23226 CCK/W33 + H 2326轴承详细参数

球面滚子轴承, 带紧定套的
主要数据尺寸基本负荷额定值疲劳负荷限值额定速度体积型号
动态静态参照速度限制速度轴承 + 紧定套
d1DBCC0Pu
mmkNkNr/minkg-
1152308078010601041900260018,523226 CCK/W33 + H 2326

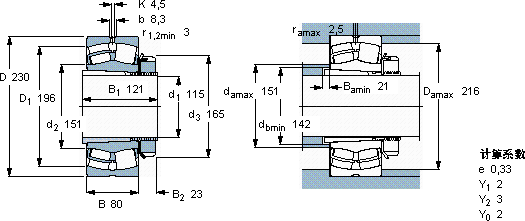
SKF 23226 CCK/W33 + H 2326轴承尺寸图纸

李工:138-8949-5179

刘工:135-0428-8802

地址:辽宁省大连经济技术开发区现代城3栋-13-13号

在线客服系统