轴承专区
Bearings Center
16026 *轴承-SKF 16026 *轴承尺寸、图纸、价格
SKF 16026 *轴承
| 产品名称: | 16026 *轴承 | 品牌: | SKF |
|---|---|---|---|
| 类型: | SKF轴承 > 滚动轴承 > 深沟球轴承 | ||
| 描述: | 16026 *轴承是【SKF轴承 > 滚动轴承 > 深沟球轴承】的型号,主要用在电气装置部件、燃汽轮机、提升机、后轮、造纸机械、起重机吊钩、船舶用螺旋桨轴、制鞋、专用车、风力发电设备等各大领域 | ||
电话/微信:138-8949-5179
SKF 16026 *轴承详细信息
16026 *轴承是【SKF轴承 > 滚动轴承 > 深沟球轴承】的型号,主要用在电气装置部件、燃汽轮机、提升机、后轮、造纸机械、起重机吊钩、船舶用螺旋桨轴、制鞋、专用车、风力发电设备等各大领域。
SKF 16026 *轴承详细参数
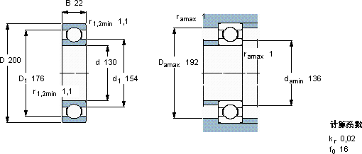
| 深沟球轴承, 单列, 无密封件 | |||||||||||
| 主要数据尺寸 | 基本负荷额定值 | 疲劳负荷限值 | 额定速度 | 体积 | 型号 | ||||||
| 动态 | 静态 | 参照速度 | 限制速度 | ||||||||
| d | D | B | C | C0 | Pu | * - SKF Explorer 轴承 | |||||
| mm | kN | kN | r/min | kg | - | ||||||
| 130 | 200 | 22 | 83,2 | 81,5 | 2,7 | 7000 | 4300 | 2,35 | 16026 * | ||
SKF 16026 *轴承尺寸图纸

