轴承专区
Bearings Center
232/600 CA/W33轴承-SKF 232/600 CA/W33轴承尺寸、图纸、价格
SKF 232/600 CA/W33轴承
| 产品名称: | 232/600 CA/W33轴承 | 品牌: | SKF |
|---|---|---|---|
| 类型: | SKF轴承 > 滚动轴承 > 球面滚子轴承 | ||
| 描述: | 232/600 CA/W33轴承是【SKF轴承 > 滚动轴承 > 球面滚子轴承】的型号,主要用在内燃机、空气压缩机、挖土机履带轮、大型农业机械、铁路车辆车轴、汽车转向销、挤压机、医药设备、土方机械、数控设备等各大领域 | ||
电话/微信:138-8949-5179
SKF 232/600 CA/W33轴承详细信息
232/600 CA/W33轴承是【SKF轴承 > 滚动轴承 > 球面滚子轴承】的型号,主要用在内燃机、空气压缩机、挖土机履带轮、大型农业机械、铁路车辆车轴、汽车转向销、挤压机、医药设备、土方机械、数控设备等各大领域。
SKF 232/600 CA/W33轴承详细参数
| 球面滚子轴承, 圆柱和圆锥孔, 圆柱型内孔, 无密封件 | ||||||||||
| 主要数据尺寸 | 基本负荷额定值 | 疲劳负荷限值 | 额定速度 | 体积 | 型号 | |||||
| 动态 | 静态 | 参照速度 | 限制速度 | |||||||
| d | D | B | C | C0 | Pu | |||||
| mm | kN | kN | r/min | kg | - | |||||
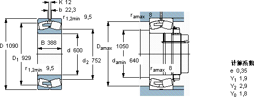
| 600 | 1090 | 388 | 13100 | 25500 | 1560 | 260 | 400 | 1600 | 232/600 CA/W33 | |
SKF 232/600 CA/W33轴承尺寸图纸

