李工:138-8949-5179 刘工:135-0428-8802
型号查询
轴承型号   常见搜索: 22222轴承 1轴承 6309轴承 6010轴承 32313轴承 6007轴承
型号查询 X

轴承专区

Bearings Center

314-ZNR轴承-SKF 314-ZNR轴承尺寸、图纸、价格

SKF 314-ZNR轴承

产品名称:314-ZNR轴承 品牌:SKF
类型:SKF轴承 > 滚动轴承 > 深沟球轴承
描述:314-ZNR轴承是【SKF轴承 > 滚动轴承 > 深沟球轴承】的型号,主要用在燃汽轮机、高频马达、桥式起重机、前轮、各类产业用减速机、机床等的变速装置、电机厂、医药设备、压路机、码垛机器人等各大领域

 电话/微信:138-8949-5179

SKF 314-ZNR轴承详细信息

314-ZNR轴承是【SKF轴承 > 滚动轴承 > 深沟球轴承】的型号,主要用在燃汽轮机、高频马达、桥式起重机、前轮、各类产业用减速机、机床等的变速装置、电机厂、医药设备、压路机、码垛机器人等各大领域。

SKF 314-ZNR轴承详细参数

深沟球轴承, 单列,带装球缺口和止动环槽, 单面防尘罩
主要数据尺寸基本负荷额定值疲劳负荷限值额定速度体积型号
动态静态参照速度限制速度轴承,带止动环止动环
dDBCC0Pu
mmkNkNr/minkg-
70150351141024,15800050002,75314-ZNRSP 150

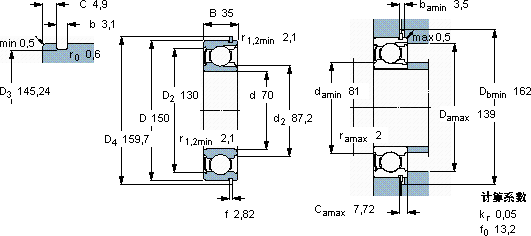
SKF 314-ZNR轴承尺寸图纸

李工:138-8949-5179

刘工:135-0428-8802

地址:辽宁省大连经济技术开发区现代城3栋-13-13号

在线客服系统