轴承专区
Bearings Center
2310 K + H 2310轴承-SKF 2310 K + H 2310轴承尺寸、图纸、价格
SKF 2310 K + H 2310轴承
| 产品名称: | 2310 K + H 2310轴承 | 品牌: | SKF |
|---|---|---|---|
| 类型: | SKF轴承 > 滚动轴承 > 自调心球轴承 | ||
| 描述: | 2310 K + H 2310轴承是【SKF轴承 > 滚动轴承 > 自调心球轴承】的型号,主要用在装卸搬运机械、印刷机械、中型及大型电动机、轧钢机辊颈、减速装置、石油钻机转环、矿山、薄膜拉伸、凿岩机械、风力发电设备等各大领域 | ||
电话/微信:138-8949-5179
SKF 2310 K + H 2310轴承详细信息
2310 K + H 2310轴承是【SKF轴承 > 滚动轴承 > 自调心球轴承】的型号,主要用在装卸搬运机械、印刷机械、中型及大型电动机、轧钢机辊颈、减速装置、石油钻机转环、矿山、薄膜拉伸、凿岩机械、风力发电设备等各大领域。
SKF 2310 K + H 2310轴承详细参数
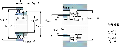
| 自调心球轴承, 带紧定套, 无密封件 | ||||||||||
| 主要数据尺寸 | 基本负荷额定值 | 疲劳负荷限值 | 额定速度 | 体积 | 型号 | |||||
| 动态 | 静态 | 参照速度 | 限制速度 | 轴承 + 紧定套 | ||||||
| d1 | D | B | C | C0 | Pu | |||||
| mm | kN | kN | r/min | kg | - | |||||
| 45 | 110 | 40 | 63,7 | 20 | 1,04 | 14000 | 9500 | 1,90 | 2310 K + H 2310 | |
SKF 2310 K + H 2310轴承尺寸图纸

