轴承专区
Bearings Center
231/710 CAK/W33 + OH 31/710 H轴承-SKF 231/710 CAK/W33 + OH 31/710 H轴承尺寸、图纸、价格
SKF 231/710 CAK/W33 + OH 31/710 H轴承
| 产品名称: | 231/710 CAK/W33 + OH 31/710 H轴承 | 品牌: | SKF |
|---|---|---|---|
| 类型: | SKF轴承 > 滚动轴承 > 球面滚子轴承 | ||
| 描述: | 231/710 CAK/W33 + OH 31/710 H轴承是【SKF轴承 > 滚动轴承 > 球面滚子轴承】的型号,主要用在变速器、罗茨鼓风机、燃汽轮机、建筑机械、减速装置、石油钻机转环、立式电动机、陶瓷机械、凿岩机械、正面吊等各大领域 | ||
电话/微信:138-8949-5179
SKF 231/710 CAK/W33 + OH 31/710 H轴承详细信息
231/710 CAK/W33 + OH 31/710 H轴承是【SKF轴承 > 滚动轴承 > 球面滚子轴承】的型号,主要用在变速器、罗茨鼓风机、燃汽轮机、建筑机械、减速装置、石油钻机转环、立式电动机、陶瓷机械、凿岩机械、正面吊等各大领域。
SKF 231/710 CAK/W33 + OH 31/710 H轴承详细参数
| 球面滚子轴承, 带紧定套的 | ||||||||||
| 主要数据尺寸 | 基本负荷额定值 | 疲劳负荷限值 | 额定速度 | 体积 | 型号 | |||||
| 动态 | 静态 | 参照速度 | 限制速度 | 轴承 + 紧定套 | ||||||
| d1 | D | B | C | C0 | Pu | |||||
| mm | kN | kN | r/min | kg | - | |||||
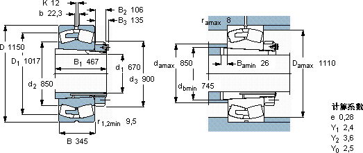
| 670 | 1150 | 345 | 12200 | 26000 | 1530 | 240 | 450 | 1750 | 231/710 CAK/W33 + OH 31/710 H | |
SKF 231/710 CAK/W33 + OH 31/710 H轴承尺寸图纸

