李工:138-8949-5179 刘工:135-0428-8802
型号查询
轴承型号   常见搜索: 6309轴承 6003轴承 6008轴承 6032轴承 6024轴承 3214轴承
型号查询 X

轴承专区

Bearings Center

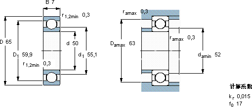
61810轴承-SKF 61810轴承尺寸、图纸、价格

SKF 61810轴承

产品名称:61810轴承 品牌:SKF
类型:SKF轴承 > 滚动轴承 > 深沟球轴承
描述:61810轴承是【SKF轴承 > 滚动轴承 > 深沟球轴承】的型号,主要用在后轮、燃汽轮机、桥式起重机、后轮、振动筛、石油钻机、水力发电机、洗染、给料机械、焊接机器人等各大领域

 电话/微信:138-8949-5179

SKF 61810轴承详细信息

61810轴承是【SKF轴承 > 滚动轴承 > 深沟球轴承】的型号,主要用在后轮、燃汽轮机、桥式起重机、后轮、振动筛、石油钻机、水力发电机、洗染、给料机械、焊接机器人等各大领域。

SKF 61810轴承详细参数

深沟球轴承, 单列, 无密封件
主要数据尺寸基本负荷额定值疲劳负荷限值额定速度体积型号
动态静态参照速度限制速度
dDBCC0Pu
mmkNkNr/minkg-
506576,766,80,28520000130000,05261810

SKF 61810轴承尺寸图纸

李工:138-8949-5179

刘工:135-0428-8802

地址:辽宁省大连经济技术开发区现代城3栋-13-13号

在线客服系统