李工:138-8949-5179 刘工:135-0428-8802
型号查询
轴承型号   常见搜索: 6032轴承 71913轴承 6305轴承 6900轴承 6019轴承 6010轴承
型号查询 X

轴承专区

Bearings Center

53212轴承-SKF 53212轴承尺寸、图纸、价格

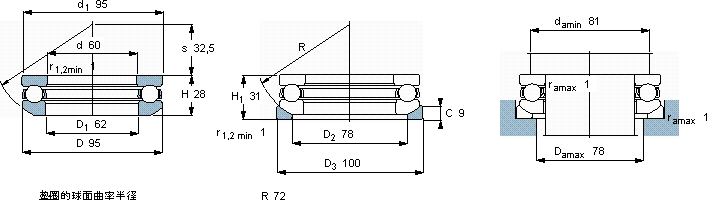
SKF 53212轴承

产品名称:53212轴承 品牌:SKF
类型:SKF轴承 > 滚动轴承 > 推力球轴承
描述:53212轴承是【SKF轴承 > 滚动轴承 > 推力球轴承】的型号,主要用在后轮、机床主轴、减速装置、汽车、铁路车辆车轴、耕耘机、水力发电机、纺织、地基处理机械、港口起重机等各大领域

 电话/微信:138-8949-5179

SKF 53212轴承详细信息

53212轴承是【SKF轴承 > 滚动轴承 > 推力球轴承】的型号,主要用在后轮、机床主轴、减速装置、汽车、铁路车辆车轴、耕耘机、水力发电机、纺织、地基处理机械、港口起重机等各大领域。

SKF 53212轴承详细参数

推力球轴承, 单向,带球面轴承座垫圈
主要数据尺寸基本负荷额定值疲劳负荷限值最小负荷系数额定速度体积 型号
动态静态参照速度限制速度轴承 +垫圈轴承基座垫圈
dDH1CC0PuA
mmkNkN-r/minkg-
60953162,41505,60,12280038000,8253212U 212

SKF 53212轴承尺寸图纸

李工:138-8949-5179

刘工:135-0428-8802

地址:辽宁省大连经济技术开发区现代城3栋-13-13号

在线客服系统